Manuel du conducteur
OUTILLAGE SPECIALISE INDISPENSABLE
Mot. 1367 Appareil de maintien moteur
Mot. 1367-02 Support moteur
T. Av. 476 Extracteur de rotules
Mot. 1372 Collection pour extraire les vis inviolables
MATERIEL INDISPENSABLE
Vérin d'organes

DEPOSE
Cette méthode est applicable uniquement pour la motorisation V4Y.
Mettre le véhicule sur un pont à deux colonnes.
Débrancher la batterie.
Déposer :

Dégager le calculateur d'injection avec son support sur le côté.

Débrancher :
NOTA : ne pas manoeuvrer la bague orange lors de cette opération. Il est possible qu'elle casse à la dépose ou à la repose. Le cas échéant, NE PAS REMPLACER LE CABLE DE COMMANDE, l'absence de cette pièce ne dégradant pas la fonctionnalité du système.

Débrancher :

Placer des pinces Durit et débrancher l'échangeur d'eau.
Déposer le capteur Point Mort Haut situé sous la boîte.
Dégrafer le faisceau sur la boîte.
Déposer :


Déposer le berceau (voir chapitre 31).
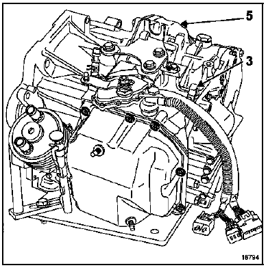
Dégrafer le faisceau de transmission automatique (1).

Déposer la tôle de protection du convertisseur.

Tourner le vilebrequin dans le sens horaire pour accéder aux six vis de liaison tôle d'entraînement / convertisseur et les déposer.
Déposer le démarreur.
Déposer le précatalyseur avant (voir chapitre 19B "Echappement").
Mettre en place l'outil support moteur Mot. 1367 et 1367-02.



ATTENTION : il faut positionner le support moteur comme montré sur le dessin.
Déposer :
ATTENTION : prendre garde à ne pas endommager le compresseur de conditionnement d'air.
Mettre en place le vérin d'organes.
Déposer les vis et les goujons inférieurs de tour de boîte.
Désaccoupler la transmission automatique du moteur en prenant garde à ne pas déboîter le convertisseur.
SU1-V4YGarniture de dossier
DEPOSE
NOTA : le dégarnissage du dossier 1/3 reste identique
au dossier 2/3.
Déposer le dossier complet (chapitre 76A.B).
Ouvrir partiellement la fermeture à glissière de la
garniture 1/3.
Déposer la fixation des deux dossiers.
Séparer le doss ...
Autoradio "haut de gamme" : Fonctionnement
L'autoradio permet un fonctionnement, sans position
accessoires, pendant 20 minutes environ. L'autoradio
émet un signal sonore puis s'éteint.
FONCTION RADIO
Ce système utilise deux Tuner distincts :
le Tuner pour l'écoute de la radio,
le Tuner pour l'écou ...
Poulie de pompe
MOTEUR P9X
OUTILLAGE SPECIALISE INDISPENSABLE
Dir. 1083-01 Outil de repose de poulie
DEPOSE
Relever la cote par rapport au bout de l'axe. Extraire la
poulie.
Utiliser la presse avec un extracteur.
REPOSE
Emmancher la poulie, outil Dir. 1083-01 jusqu'en
butée sur l'arbre (graiss ...
www.rensatis.com © 2025