Manuel du conducteur
Moteur F4R

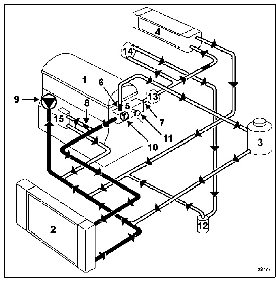
La valeur de tarage de la soupape du vase d'expansion est de 1,4 bar.
Contrôle
Moteur G9T boite de vitesses manuelleVerrouillage / Déverrouillage des portes
Verrouillage / déverrouillage des
portes de l'extérieur
Celui-ci se fait à l'aide de la carte
RENAULT : reportez-vous aux paragraphes
" carte RENAULT " en chapitre
1.
Dans certains cas, la carte
RENAULT peut ne pas fonctionner :
véhicule situé dans une ...
Arbre de localisation de pannes
Pas de
communication avec le calculateur
CONSIGNES
Rien à signaler.
Essayer l'outil de diagnostic sur un autre véhicule.
Vérifier :
la liaison entre l'outil de diagnostic et la prise diagnostic (bon état
du câble),
les fusibles injection, moteur et h ...
Moteur P9X
GENERALITES
Le boîtier de préchauffage comprend deux relais électroniques constitué
chacun d'un circuit de puissance pour
chaque bougie de préchauffage. Il est piloté par la voie A19 du calculateur
d'injection. Chaque relais commande un
banc de cylindr ...
www.rensatis.com © 2025