Manuel du conducteur
OUTILLAGE SPECIALISE INDISPENSABLE
Mot. 453-01 Pinces pour tuyaux souples
Mot. 1505 Appareil de contrôle de tension de courroies (FREQUENCEMETRE)

Mettre le véhicule sur un pont à deux colonnes.
DEPOSE
Mettre le véhicule sur un pont à deux colonnes.
Débrancher la batterie.
NOTA : avant de débrancher la batterie, il faut :
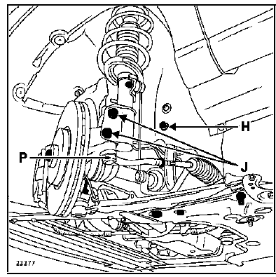
Déposer :
Débrancher la connectique du capteur de vitesse de roue avant droit.
Déposer :

Placer une pince Mot. 453-01 sur la canalisation d'alimentation.
Débrancher les tuyauteries d'alimentation et de haute pression. Prévoir l'écoulement du liquide de direction assistée.
Déposer :

Déposer la pompe.
REPOSE
Tendre la courroie. Consulter le chapitre 07A.
Moteur en fonctionnement, remplir et purger le circuit en manoeuvrant le volant de direction de butée en butée.
Moteur G9T
Moteur P9XPréliminaires
Ce document présente le diagnostic applicable sur tous les calculateurs
BOÎTE DE VITESSES
AUTOMATIQUE SU1 2001 - avec VDIAG 08 montés sur Vel Satis.
Pour entreprendre un diagnostic de ce système il est donc impératif de disposer
des éléments su ...
Bloc outils (Cric - Manivelle...)
Le bloc-outils A est situé dans le
coffre, sur la roue de secours.
Cric 1
Déclipsez la languette de maintien
du cric.
Dégagez le cric 1.
Lors de sa remise en place, repliez
correctement le cric avant de le
remettre dans son logement.
Le cric est desti ...
Particularités du système "On Board Diagnostic"
MOTEUR V4Y
Ce véhicule est équipé du système de diagnostic OBD ("On Board Diagnostic")
(diagnostic embarqué) qui se
caractérise par :
Lorsqu'une anomalie provoquant une pollution excessive est détectée, un voyant
s'allume au ta ...
www.rensatis.com © 2026