Manuel du conducteur

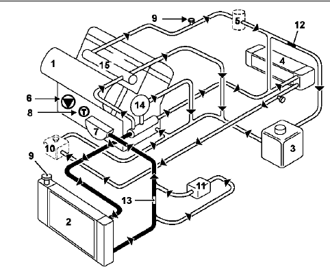
La valeur de tarage de la soupape du vase d'expansion est de 1,8 bar.
Moteur G9T
Boite de vitesses automatique
Moteur V4YStratégie injection / CA
LIAISON CALCULATEUR INJECTION - CALCULATEUR AIR CLIMATISE
Le calculateur d'injection est relié au calculateur d'AIR CLIMATISE par la
liaison multiplexée :
Lorsque l'on actionne l'interrupteur d'AIR CLIMATISE, le calculateur d'AIR
CLIMATISE demande la mise en marche
du compresseu ...
Rampe d'injection - Injecteurs
Moteur F4R
Les injecteurs montés sur le moteur F4R sont de type
MAGNETI MARELLI PICO.
Ils sont fixés à la rampe d'injection par des agrafes.
Le carburant circule en permanence sur la
circonférence du corps de l'injecteur. Ce balayage de
carburant évi ...
Interprétation des commandes
RELAIS POMPE
A ESSENCE
CONSIGNES
Un dysfonctionnement du relais de pompe à essence est susceptible de
faire
apparaître les défauts concernant les injecteurs et l'électrovanne de purge de
l'absorbeur de vapeurs d'essence.
Vérifier l'état et le branch ...
www.rensatis.com © 2026