Manuel du conducteur
DEPOSE
Déposer :

Déposer les vis (A) et séparer l'armature des glissières.
PARTICULARITE POUR LA VERSION ELECTRIQUE

A l'aide d'une batterie et d'un câblage adapté (fabrication locale), actionner le moteur pour avancer la platine et accéder aux vis (B).

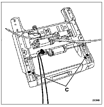
Actionner le moteur pour reculer la platine et accéder aux vis (C).
Solution lorsque le moteur de glissières ne fonctionne plus

A l'aide d'une "visseuse-dévisseuse" et un des câbles du moteur, reculer ou avancer les glissières pour accéder aux fixations.
Dégager l'ensemble "glissière-platine".

Dégager :
REPOSE
IMPORTANT : respecter l'ordre de serrage des fixations "glissières-podium".

Reculer la platine moteur et visser en (1) puis (2).

Avancer au maximum la platine moteur et suivre l'ordre de serrage.

Siège complet
Moteurs de siègeRangements / aménagements habitacle
Vide-poches de console centrale
Pour ouvrir, tirez sur le centre du
portillon 1 puis lâchez : il s'ouvre
seul.
Nota : suivant véhicule, cet emplacement
est prévu pour recevoir les
commandes des équipements multimédia
du véhicule (reportez-vous
a ...
Principe de fonctionnement
TABLEAU DE COMMANDE
La régulation a pour but d'offrir aux utilisateurs un
confort stable et efficace quelles que soient les
ambiances extérieures et les conditions d'utilisation du
véhicule.
De plus, elle assure une bonne visibilité à travers les
surfaces v ...
Carte RENAULT : pile
Carte RENAULT mode mains
libres
Remplacement de la pile
Le message " pile carte à changer "
apparaît au tableau de bord.
Tirez fortement sur la clé de secours 1.
Remplacez la pile 2 en respectant la
polarité inscrite sur la clé de secours
(assurez-vo ...
www.rensatis.com © 2025