Manuel du conducteur

DEPOSE
Mettre le véhicule sur un pont à deux colonnes.
Débrancher la batterie.
Déposer la protection sous moteur.
Vidanger la transmission automatique par le bouchon (A).

Déposer :

Dégager :

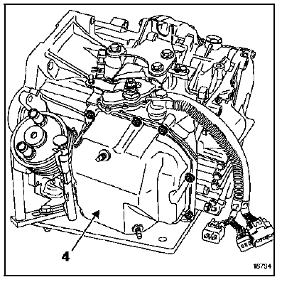
Déconnecter le faisceau (1).
Déposer :

Mettre un récipient propre pour récupérer l'huile sous la transmission automatique.
Déposer le carter (4) du distributeur hydraulique, en le décollant avec un brin extra plat (sans endommager les surfaces de contact).

Déconnecter et dégager la traverse étanche (G).
Déposer :



REPOSE
Nettoyer le plan des joints sur la transmission automatique en veillant à ne pas abîmer la surface de celui-ci.
Nettoyer le plan des joints du carter distributeur hydraulique.
Nettoyer les vis du distributeur hydraulique, veiller à bien retirer les particules de colle restante.
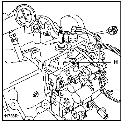
Remplacer impérativement les joints d'étanchéité (J) et le joint papier du cache aspiration.
Reposer dans le sens inverse de la dépose.
Resserrer les vis du distributeur et les serrer au couple.
ATTENTION : les vis sont de longueurs différentes.
SU1
Nettoyer les surfaces du carter de la transmission automatique.
Appliquer un filet de Loctite FRENETANCH d'une épaisseur d'environ 3 mm.
Mettre une goutte de Loctite FRENETANCH sur les vis du carter distributeur hydraulique et les serrer au couple et ce dans l'ordre ci-dessous.

Effectuer le remplissage d'huile de transmission automatique en respectant les préconisations (voir chapitre concerné).
 Contrôle de point de calage du convertisseur
Contrôle de point de calage du convertisseurDisque de frein
   OUTILLAGE SPECIALISE INDISPENSABLE
Fre. 1190-01 Repousse piston
DEPOSE
Attention : de ne pas endommager la cible du
capteur de vitesse lors des manipulations.
Mettre en place le véhicule sur un pont à deux
colonnes.
Desserrer le frein de parking. Déposer les roues
 ...
   
Moteur et boîte de vitesses
   MOTEURS
TOUS TYPES
DEPOSE
Mettre le véhicule sur un pont élévateur à deux
colonnes.
Lors de cette opération, il est nécessaire d'arrimer
le véhicule au pont à l'aide d'une sangle afin
d'éviter un déséquilibre ...
   
Tuyau d'alimentation récepteur Direction à droite - Moteur G9T
   DEPOSE
Mettre le véhicule sur un pont.
Ouvrir le capot et déposer :
	les caches moteur,
	le couvercle (A) de la boîte à fusibles.
Débrancher la batterie.
Déposer :
	la batterie vis (B),
	le boîtier à fusibles du support  ...
   
www.rensatis.com © 2025