Manuel du conducteur
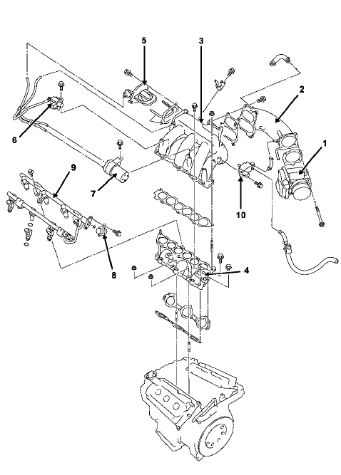
Moteur V4Y

Répartiteur d'admission
Collecteur d'admissionDiagnostic de détection des ratés de combustion
Le but de la détection des ratés de combustion est de détecter un
dysfonctionnement qui provoquerait un
dépassement du seuil OBD ("On Board Diagnostic") par les émissions de polluants
et détériorerait le catalyseur.
Le diagnostic peut ...
Arbre de localisation de pannes
Pas de
communication avec le calculateur
CONSIGNES
Rien à signaler.
Essayer l'outil de diagnostic sur un autre véhicule.
Vérifier :
la liaison entre l'outil de diagnostic et la prise diagnostic (bon état
du câble),
les fusibles injection, moteur et h ...
Condamnation automatique des ouvrants en roulage
Vous devez avant tout décider si
vous souhaitez activer la fonction.
Pour l'activer
Contact mis, appuyez sur le bouton
de condamnation électrique des
portes 1 côté condamnation (côté
cadenas) pendant environ 5 secondes,
jusqu'à entendre un bip so ...
www.rensatis.com © 2026