Manuel du conducteur
Moteur P9X

DEPOSE
Mettre le véhicule sur un pont élévateur à deux colonnes.
Déposer les caches moteur.
Débrancher la batterie.
Dégrafer puis dégager le boîtier relais sur le côté.
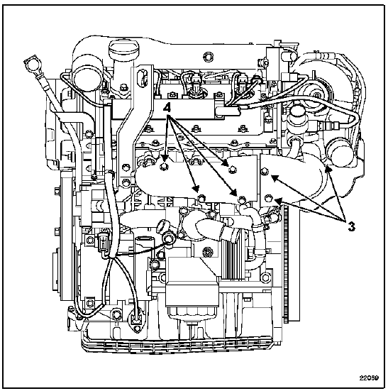
Déposer :



REPOSE
Remplacer le joint du collecteur et du tube intermédiaire d'échappement.
Reposer le collecteur puis serrer les fixations en respectant le couple et l'ordre de serrage.
Pour les autres opérations de repose procéder dans le sens inverse de la dépose.

Collecteur d'échappement
Collecteur d'échappement banc
arrièreGlissières de siège
DEPOSE
Déposer :
le siège complet (chapitre 75A.A) (respecter les
règles de sécurité),
le garnissage de dossier (chapitre 77A.A),
le garnissage d'assise (chapitre 77A.B),
le câblage.
Déposer les vis (A) et séparer l'armature ...
Groupe motoventilateur
DIRECTION
A GAUCHE
DEPOSE
Le motoventilateur est accessible par le dessous de la
planche de bord.
Débrancher :
la batterie,
le connecteur du motoventilateur (A).
Déposer la vis (B) de fixation du motoventilateur.
Tourner le motoventilateur dans le sens horaire pour l ...
Moteur P9X
IL EST INTERDIT DE DEMONTER L'INTERIEUR DE
LA POMPE
OUTILLAGE SPECIALISE INDISPENSABLE
Mot. 1367-02 Support moteur inférieur
Mot. 1376 Pige de blocage volant moteur
Mot. 1651 Mise en place joint de vilebrequin
côté distribution
Mot. 1653 Mise en place joint de pompe
haute ...
www.rensatis.com © 2026