Manuel du conducteur
MOTEUR F4R

DEPOSE
Mettre le véhicule sur un pont élévateur à deux colonnes.
Débrancher la batterie.
Déposer la protection sous moteur.
Vidanger le moteur.
Déposer :

Nettoyage du plan de joint.
REPOSE
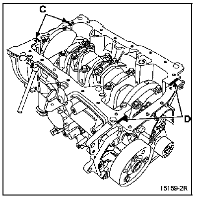
Mettre du RHODORSEAL 5661 en (A) de chaque côté du palier n 1, et en (B) à l'intersection de la plaque de fermeture du vilebrequin et du carter cylindres.

Reposer le carter inférieur avec un joint neuf, en préserrant les vis 1, 6, 10, 15, 18 à 0,8 daN.m puis effectuer un serrage final de 1,5 daN.m dans l'ordre préconisé ci-dessous.

MOTEUR G9T

DEPOSE
Mettre le véhicule sur un pont élévateur à deux colonnes.
Débrancher la batterie.
Déposer :
Vidanger le moteur.
Déclipper les deux canalisations de direction assistée et les écarter.
Déposer le carter inférieur.
Nettoyer le plan de joint.
REPOSE
Mettre du RHODORSEAL 5661 en (1).

Reposer :

Effectuer le remplissage d'huile moteur.
MOTEUR P9X

Vidanger l'huile du moteur.
DEPOSE
Déposer :

Pour la méthode de dépose de la courroie d'accessoires, voir chapitre 07A "Tension courroie d'accessoires".
Déposer :

NETTOYAGE
Il est important de ne pas gratter les plans de joints des pièces en aluminium. Nettoyer les plans de joints avec du produit Décapjoint pour dissoudre la partie du joint restant collée sur le carter inférieur et sur le carter cylindres.
Appliquer le produit sur la partie à nettoyer ; attendre environ une dizaine de minutes puis l'enlever avec une spatule en bois.
Il est conseillé de porter des gants pendant l'opération.
REPOSE
Mettre un cordon de RHODORSEAL 5661 de 3 à 4 mm de diamètre environ sur la surface du carter inférieur.

Serrer toutes les vis du carter inférieur au couple de 2,5 daN.m et dans l'ordre indiqué.

Le reste de la repose s'effectue dans le sens inverse de la dépose.
Pour la repose de la courroie d'accessoires voir chapitre 07A "Tension de courroie d'accessoires".
Effectuer le remplissage d'huile moteur.
MOTEUR V4Y

La dépose du carter inférieur ne présente pas de difficultés particulières.
Nettoyer le plan de joint.
REPOSE
Approcher les vis et serrer au couple de 1 daN.m dans l'ordre suivant :

Moteur et boîte de vitesses
Pompe à huileGeneralites
Diagnostic collision
Avant d'entreprendre la réparation de la carrosserie d'une voiture, même
paraissant légèrement accidentée, il est
nécessaire d'effectuer une série de contrôles :
CONTROLE VISUEL
Ce contrôle consiste à exami ...
Aide à la navigation : Unité Centrale de
Communication
Pour fonctionner, le calculateur de navigation
"Carminat" doit être accompagné d'une Unité
Centrale de Communication.
L'Unité Centrale de Communication permet :
d'effectuer des liaisons entre le réseau multiplexé du
véhicule et l ...
Moteur G9T
CLAPET DE LIMITATION DE LA PRESSION DE
SURALIMENTATION (WASTEGATE)
Contrôle de la pression de calibrage
Le contrôle ainsi que le réglage de la pression de
calibrage ne peut pas s'effectuer turbocompresseur en
place.
Il est nécessaire pour l'une ou l'autre des op&eac ...
www.rensatis.com © 2025