Manuel du conducteur
DEPOSE
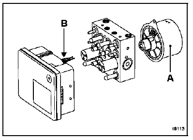
La dépose du calculateur ne nécessite pas la dépose du groupe hydraulique complet.
Déposer :

ATTENTION : lors de la dépose, la pompe hydraulique (A) doit être plaquée sur l'unité de modulation de pression.
REPOSE
Lors de la repose d'un nouveau calculateur, il ne faut pas oublier de fixer la fourchette d'interconnexion (B) entre l'unité de modulation de pression et le calculateur.

Groupe hydraulique
Calculateur d'angle du volantJoint de sortie de différentiel
OUTILLAGE SPECIALISE INDISPENSABLE
Mot. 1367 Appareil de maintien moteur
Mot. 1367-02 Support moteur
Mot. 1372 Collection pour extraire les vis
inviolables
T. Av. 476 Outil arrache-rotules
B. Vi. 1611 Outil de montage joint de sortie
différentiel
CETTE METHODE EST APPLICABLE
UNIQUEME ...
Liquide de refroidissement
Liquide de refroidissement
Moteur froid, le niveau doit se
situer entre les repères MINI et
MAXI indiqués sur le vase d'expansion
1.
Complétez ce niveau à froid avant
qu'il n'atteigne le repère MINI.
Aucune intervention ne
doit être eff ...
Moteur P9X
IL EST INTERDIT DE DEMONTER L'INTERIEUR
D'UN INJECTEUR OU DE SEPARER LE PORTEINJECTEUR
DE LA BUSE
OUTILLAGE SPECIALISE INDISPENSABLE
Mot. 1566 Outil de dépose des tuyaux haute
pression
MATERIEL INDISPENSABLE
Clé dynamométrique "faible couple"
Embout à tu ...
www.rensatis.com © 2026