Manuel du conducteur
SU1

DEPOSE
Mettre le véhicule sur un pont à deux colonnes.
Débrancher la batterie.
Déposer la protection sous moteur.
Vidanger la boîte de vitesses automatique (voir chapitre concerné).
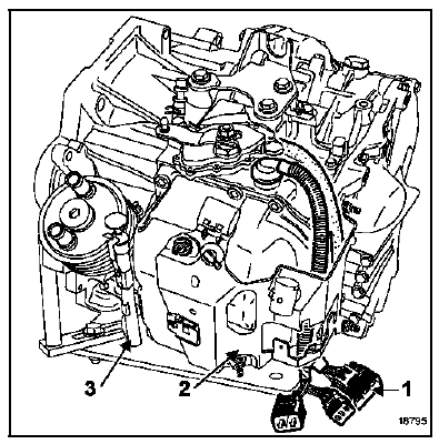
Déposer :

Dégager le calculateur d'injection et son support.

Déconnecter le faisceau (1).
Déposer :

Mettre un récipient propre pour récupérer l'huile sous la boîte de vitesses automatique.
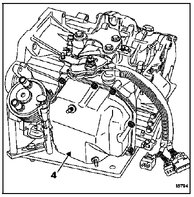
Déposer le carter (4) du distributeur hydraulique, en le décollant avec un burin extra plat (sans endommager les surfaces de contact).

Déconnecter et dégager la traverse étanche (A).

NOTA : faire attention au passage du câblage, car il doit être reposé dans la même position (les capteurs de vitesse n'ont pas de détrompeur).
REPOSE
Reposer en sens inverse de la dépose en respectant les différentes consignes de réglage citées dans les différents chapitres concernant cette opération.
Effectuer le remplissage d'huile (voir chapitre "Remplissage - Niveaux").
Capteur de vitesses (sortie)
ElectrovannesTableau de commande avant
DEPOSE
Débrancher la batterie.
Déclipper la partie arrière de la garniture arrière, en
tirant légèrement en (1) puis en (2).
Déclipper :
la partie avant de la garniture en (3) puis en (4),
la manchette du levier de vitesses.
-
...
Niveau huile moteur
Un moteur consomme de l'huile
pour le graissage et le refroidissement
des pièces en mouvement et il
est normal de faire un appoint
d'huile entre deux vidanges.
Toutefois, si après la période de
rodage, les apports étaient supérieurs
à 0,5 litre pour ...
Régulation de pression de
suralimentation
MOTEUR F4R
GESTION DE LA PRESSION DE SURALIMENTATION
La pression de suralimentation est régulée par la position de la soupape de
régulation de pression (wastegate).
PRINCIPE
Cette soupape de régulation de pression, reliée via une tige au poumon de
wastegate ...
www.rensatis.com © 2026