Manuel du conducteur
DIRECTION A GAUCHE

DEPOSE
Pour les versions (F4R Turbocompressé) seulement
Mettre le véhicule sur un pont élévateur à deux colonnes afin de reculer l'écran thermique partie avant de l'échappement.

Enlever les fixations de l'écran thermique moteur et le décaler légèrement afin de pouvoir intervenir sur les écrous des tuyaux de climatisation situés à la jonction du tablier.

Pour l'ensemble des versions
Vidanger le circuit de fluide réfrigérant à l'aide d'une station de charge pour R134.
Déposer la protection sous le moteur.
Vidanger le circuit de refroidissement.
ATTENTION : Suivre les préconisations du chapitre 88C pour la manipulation des airbags.
Débrancher la batterie.
Côté habitacle
Déposer :

Dans le compartiment moteur
Pour les versions F4R Turbocompressés seulement Desserrer le boulon (A) de la biellette de reprise de couple afin de pouvoir tourner la tôle (B) pour accéder plus aisément aux deux écrous de fixation des tuyaux de climatisation situés à la jonction du tablier.
Déposer :


Extraire :
Déposer :

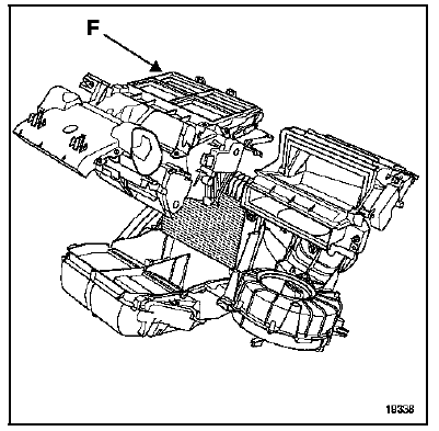
Ouvrir le boîtier répartiteur (F) suivant le schéma cidessous.

Déposer l'évaporateur.

NOTA :
La sortie évaporateur se situe sous l'écran thermique de l'échappement.

REPOSE
Huiler les joints des tuyaux avec de l'huile préconisée.
Procéder en sens inverse de la dépose.
IMPORTANT : Il est impératif de remonter le faisceau électrique correctement pour éviter tout risque d'agression.
Repose de la planche de bord
Avant de mettre la planche de bord en place, positionner les faisceaux des tweeters, de l'afficheur et du capteur d'ensoleillement.
ATTENTION : Brancher la batterie ; effectuer les apprentissages nécessaires (voir chapitre 8).
NOTA : Réaliser un test de fuite, moteur tournant avec la climatisation et le pulseur en marche maximum, et vérifier avec un détecteur de fuite dans les 5 minutes qui suivent la charge.

DEPOSE
Pour les versions (F4R Turbocompressé) seulement
Mettre le véhicule sur un pont élévateur à deux colonnes afin de reculer l'écran thermique partie avant de l'échappement.

Enlever les fixations de l'écran thermique moteur et le décaler légèrement afin de pouvoir intervenir sur les écrous des tuyaux de climatisation situés à la jonction du tablier.

Pour l'ensemble des versions
Vidanger le circuit de fluide réfrigérant à l'aide d'une station de charge pour R134.
Déposer la protection sous le moteur.
Vidanger le circuit de refroidissement.
ATTENTION : Suivre les préconisations du chapitre 88C pour la manipulation des airbags.
Débrancher la batterie.
Côté habitacle
Déposer :

Dans le compartiment moteur
Pour les versions (F4R Turbocompressé) seulement
Dévisser le boulon (A) de la biellette de reprise de couple afin de pouvoir tourner la tôle (B) pour accéder plus aisément aux deux écrous de fixation des tuyaux de climatisation situés à la jonction du tablier.
Déposer :


Extraire :
Déposer :


Déposer les vis (3).

Extraire la partie supérieure du boîtier répartiteur.
Déposer les vis (4).

Extraire l'évaporateur.

NOTA : La sor tie évaporateur se situe sous l'écran thermique de l'échappement.

REPOSE
Huiler les joints des tuyaux avec de l'huile préconisée.
Procéder en sens inverse de la dépose.
IMPORTANT : Il est impératif de remonter le faisceau électrique correctement avant la planche de bord pour éviter tout risque d'agression.
Repose de la planche de bord
Avant de mettre la planche de bord en place, positionner les faisceaux des tweeters, de l'afficheur et du capteur d'ensoleillement
ATTENTION : Brancher la batterie ; effectuer les apprentissages nécessaires (voir chapitre 8).
NOTA : Réaliser un test de fuite, moteur tournant avec la climatisation et le pulseur en marche maximum, et vérifier avec un détecteur de fuite dans les 5 minutes qui suivent la charge.
Moteur P9XOutillage spécifique
DEGARNISSAGE DES SIEGES
Pince pour fermeture à glissière Car. 1558
IMPORTANT : pour utiliser correctement la pince
Car. 1558 sur ce véhicule, il est nécessaire de
diminuer l'épaisseur du bec plat à e = 1,5 mm. Pour
cela, meuler la face externe (F) d ...
Unité de commande
L'unité de commande se situe au niveau du train
arrière, derrière le réservoir de carburant.
Les opérations qui suivent se font berceau en place.
DEPOSE
Débrancher la batterie.
Déposer :
les enjoliveurs arrière (selon é ...
Préliminaire
ACU3
N Vdiag : 14
Ce document présente le diagnostic applicable sur tous les calculateurs
AIRBAG AUTOLIV ACU3 -
avec VDIAG 14 montés sur VEL SATIS.
Pour entreprendre un diagnostic de ce système il est donc impératif de disposer
des éléments
suiv ...
www.rensatis.com © 2026