Manuel du conducteur
Utilisation des modes commandes :
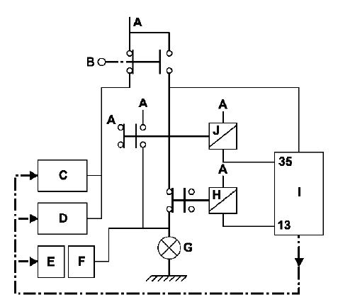
Pilotage des électrovannes de roues pour contrôle hydraulique :
Soulever le véhicule de façon à pouvoir tourner les roues et contrôler qu'elles tournent librement.
Maintenir la pédale de frein pressée pour empêcher la roue à tester de tourner si on l'entraîne à la main (ne pas freiner trop fort pour être à la limite du déblocage).
Sélectionner et valider la commande de la roue considérée ("Electrovannes roue avant gauche",...)
→ On doit constater dix cycles déblocage/blocage sur la roue concernée
Pilotage du moteur de pompe :
Sélectionner la commande "Test moteur pompe".
→ On doit constater le fonctionnement du moteur pendant 5 secondes
Purge des circuits hydrauliques :
Appliquer la procédure décrite dans le chapitre "purge des circuits" de la Note Technique "Méthode réparation".
Récapitulatif des CODES FONCTION :
AFU électrique : Système équipé de l'Aide au Freinage d'Urgence Electrique.
AFU mécanique ou ADAM : Système équipé de l'Aide au Freinage d'Urgence Mécanique.
ESP : contrôle dynamique de conduite.
Double capteur ESP : un Capteur vitesse de lacet + un Capteur d'Accélération transversale.
CLUSTER (Capteur combiné) : un seul capteur regroupant les fonctions Capteur vitesse de lacet et capteur d'Accélération transversale.
ACC : Régulateur de vitesse à contrôle de distance.
CSV : Contrôle de sous-virage.
Comment différencier un ABS équipé d'un AFU électrique ? L'AFU électrique dispose d'éléments en plus que n'a pas l'AFU mécanique tels que :
Suivant le code fonction, certains états ou paramètres de l'outil de diagnostic ne seront pas fonctionnels.
REMPLACEMENT DU CALCULATEUR :
Lors d'un remplacement calculateur, effectuer les configurations suivantes :
Le calculateur ABS TEVES MK60 avec "fonction tachymétrie" fournit le signal vitesse véhicule à tous les utilisateurs de cette information dans le véhicule (tableau de bord, contrôle moteur,...).
Ce signal vitesse véhicule remplace celui que délivrait le capteur de vitesse situé sur la boîte de vitesses.
Le calculateur ABS calcule la vitesse véhicule à partir des vitesses de roues et de la développée du pneumatique équipant le véhicule.
La développée du pneumatique est à programmer en mémoire d'un calculateur neuf. Cela consiste à saisir un index "X" garce à l'outil de diagnostic par la commande VP007 "INDEX TACHYMETRIQUE".
Valeur de l'index "X" :

Suite à la saisie de l'index par la commande "Index tachymétrique", effacer la mémoire du calculateur puis couper le contact. Contrôler par le paramètre "PR030 Index tachymétrique", la bonne prise en compte de l'index saisi.
Sélectionner la commande CF077 sur l'outil de diagnostic.
Sélectionner la commande CF078 sur l'outil de diagnostic.
Sélectionner la commande CF079 sur l'outil de diagnostic.
Sélectionner la commande CF080 sur l'outil de diagnostic.
Sélectionner la commande VP003 sur l'outil de diagnostic.
CABLAGE ENVELOPPE FEUX DE STOP EXTINCTION DES FEUX (code fonction E0, C0).
Le code fonction est diponible dans l'écran "PARAMETRES" (PR041) ou dans l'écran "IDENTIFICATION" sur l'outil diagnostic.

CABLAGE ENVELOPPE FEUX DE STOP LIE A LA FONCTION CONTROLE DE SOUS VIRAGE (CODE FONCTION E1, C1) + EXTINCTION DES FEUX (CODE FONCTION C1).
Le code fonction est diponible dans l'écran "PARAMETRES" (PR041) ou dans l'écran "IDENTIFICATION" sur l'outil diagnostic.

Contrôle de conformité
Interprétation des étatsMoteur G9T
Le filtre à carburant est contenu dans une cartouche démontable. Cette
cartouche contient un réchauffeur de
gazole.
Pour remplacer le filtre, il est nécessaire de déposer l'ensemble.
DEPOSE
RESPECTER STRICTEMENT LES CONSIGNES
DE PROPRETE
ATTENTION :
Pren ...
Moteur F4R
CLAPET DE LIMITATION DE LA PRESSION DE
SURALIMENTATION (WASTEGATE)
Contrôle de la pression de calibrage
Le contrôle ainsi que le réglage de la pression de
calibrage ne peut pas s'effectuer turbocompresseur en
place.
Il est nécessaire pour l'une ou l'autre des op&eac ...
Joint d'étanchéité d'axe
de sélecteur
SU1
OUTILLAGE SPECIALISE INDISPENSABLE
B. Vi. 1401 Manchon de guidage
Cette opération s'effectue après dépose du contacteur
multifonction (voir chapitre concerné).
DEPOSE
Déposer le joint (A) d'axe de sélecteur à l'aide d'un
petit tournevis en ...
www.rensatis.com © 2026