Manuel du conducteur
MoteurV4Y
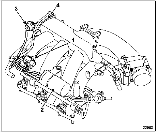
PARTICULARITE
Le collecteur d'admission est équipé d'un volet d'air d'admission variable.
Après le débitmètre, le collecteur d'admission se sépare en deux parties alimentant chacune un banc de cylindres. Un volet d'air permet, soit d'isoler les deux bancs de cylindres, soit de les faire communiquer. Ce système permet d'optimiser le couple moteur.
Le calculateur d'injection commande une électrovanne (1), qui met en liaison la dépression du collecteur d'admission via une réserve de vide (2), avec le poumon de commande (3) du volet d'air (4).
CONDITIONS DE FONCTIONNEMENT
Au repos l'électrovanne n'est pas pilotée, le volet d'air est ouvert.
DEPOSE - REPOSE
La dépose - repose du volet d'air n'implique pas de difficultés particulières.
Remplacer les joints par des joints neufs.
Serrer les vis de fixation du volet au couple de 1,9 +- 0,2 daN.m.

Collecteur d'admission
Collecteur d'admissionInterprétation des commandes
ASSISTANCE
MINIMUM
CONSIGNES
Mettre le contact, moteur tournant.
Tourner le volant pour vérifier que l'assistance soit maximale.
Lancer la commande.
Tourner le volant pour vérifier que la direction assistée se soit durcie (l'assistance
est
minimale).
La valeu ...
Réservoir à carburant
IMPORTANT :
Lors de cette opération, il est impératif de :
ne pas fumer et de ne pas approcher d'objet
incandescent près de l'aire de travail,
se protéger des projections d'essence dues à la
pression résiduelle régnant dans les
canali ...
Module de puissance
DIRECTION A GAUCHE
MODULE DE PUISSANCE - BOITIER RELAIS
Le module de puissance pilote la vitesse du
motoventilateur selon les besoins déterminés par la
régulation.
Son accès est possible par le dessous de la planche
de bord.
DEPOSE
Déposer :
le ca ...
www.rensatis.com © 2026