Manuel du conducteur
Moteur F4R
Schema du circuit d'admission d'air

Moteur G9T

Moteur V4Y
Circuit d'admission (schéma de principe)
L'admission d'air est équipée d'un ensemble de résonateurs (2) destiné à réduire les bruits d'aspiration et optimiser le remplissage à bas régime.

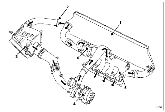
Moteur P9X
Schema du circuit d'admission d'air
Le circuit d'admission d'air est équipé d'un résonateur d'air (7) permettant d'absorber certaines ondes de pression et diminuer les nuisances sonores d'admission.

Caractéristiques
Filtre à airInterprétation des paramètres
PRESSION
PRECONISEE HAUTE VITESSE TRAIN ARRIERE
PRESSION PRECONISEE HAUTE VITESSE TRAIN AVANT
CONSIGNES
Aucun défaut ne doit être présent ou mémorisé :
Effectuer ce diagnostic après avoir relevé une incohérence entre les pressions
pr&eac ...
Interprétation des défauts
CALCULATEUR
1.DEF : Anomalie électronique interne
CONSIGNES
Particularités : s'assurer que le défaut n'apparaisse pas suite
à une reprogrammation,
sinon la relancer en respectant scrupuleusement la procédure.
Remplacer le calculateur de boîte de vites ...
Arbre de localisation de pannes
Absence de
dialogue avec le calculateur d'airbag
CONSIGNES
Sans
S'assurer que l'outil de diagnostic ne soit pas la cause du défaut en
essayant de communiquer avec un
calculateur sur un autre véhicule. Si l'outil n'est pas en cause et que le
dialogue ne s'établit avec ...
www.rensatis.com © 2025